Компьютерная
документацияАппаратные
средства (блоки питания)
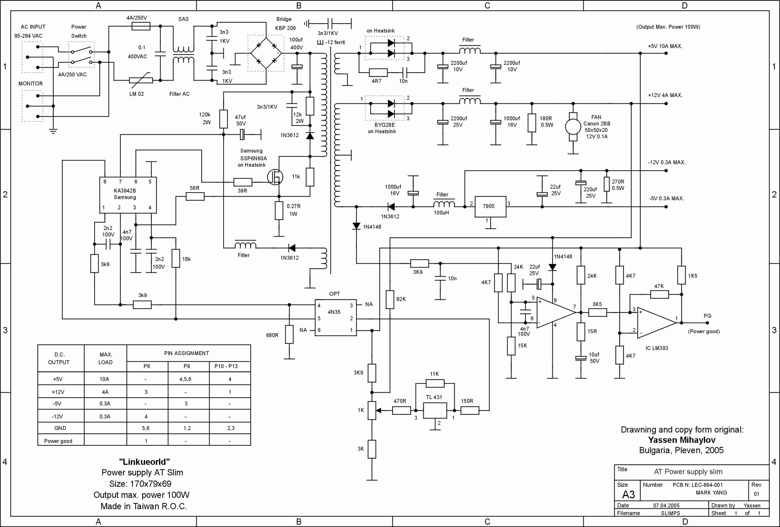
Схема
блока питания AT SLIM коруса
[259 kb] Схема AT Slim блока,
которая прислана Ясеном
Михайлов из Болгарии
(прямо с PCB платы).
|
 |
Программное
отключение PC при помощи AT
блока питания [17 kb]
|
 |
Аппаратные
средства (модемы)
Документация
по софт - модемам [128 kb]
|
 |
Работа
с AT совместимыми модемами
[14 kb] - В
коммуникационной системе,
состоящей из локального,
удаленного модемов и сети
связи, могут возникнуть
неполадки во время
установки или во время ее
использования.
|
 |
Что
такое модем и для чего он
нужен? [14 kb]
|
 |
Модемы
[2285 kb] - К сожалению,
осведомленность среднего
пользователя
персонального компьютера
в области сетей и
телекоммуникаций
оставляет пока что желать
лучшего. Непростой принцип
действия, множе ство
запутанных стандартов и
протоколов, почти полное
отсутствие популярной
литературы — все это
отпугивает многих. Данная
книга — наш скромный вклад
в дело
телекоммуникационного
ликбеза. Она предназначена
для всех, кто знаком с
персональным компьютером
и хотел бы узнать, что ему
даст приобретение модема.
|
 |
Компьютер
мобильный — и модем тоже
[121 kb] - за последние
несколько лет модем прочно
вошел в нашу повседневную
жизнь. Нет, пожалуй, другой
столь же динамично
развивающейся отрасли, как
телекоммуникации. Новые
стандарты и возможности
появляются не в результате
эволюции, а для
удовлетворения нужд
пользователей. Кажущийся
таким близким и ощутимым,
модем на самом деле — это
часть мировой
телекоммуникационной
системы, но его наличие
является непременным
условием вашего в нее
включения. Проще говоря,
небольшой материал
посвященный модемам для
ноутбуков.
|
 |
Аппаратные
средства (мониторы и
видеокарты)
Книга
"Видеоадаптер VGA,
основные особенности".
С. Томпсон. [29 kb]
Видеоадаптер VGA (Video Graphics
Array - графическая видео
матрица) - новый стандарт
видеоподсистемы фирмы IBM
для ПЭВМ семейства PS/2
моделей 50 и выше.
Видеоадаптер VGA
размещается на системной
плате. Он был разработан
для удовлетворения требо-
ваний, предъявляемых к
новым системам и, в то же
время, для обеспечения
совместимости с
предыдущими типами
видеоадаптеров при
большей
производительности и
расширенном наборе
функций.
|
 |
Вариант
переделки советского
монитора МС6105.13(14) в VGA [4kb]
- данный вариант с
некоторыми изменениями
использовался мною для
переделок мониторов всем
желающим вот уже около 2х
лет, а в течение последних 6
месяцев без изменений и
обеспечивает: - поную
совместимость со
стандартными VGA картами -
высокие контрастность и
яркость изображения -
максимальный
горизонтальный размер.
|
 |
Ega
[57 kb] - на основании
нескольких литературных и
программных источников
обобщены и представлены
описание графического
адаптера EGA, описание видео
функций EGA_BIOS, основные
подпрограммы, реализующие
видео функции. Приведены
примеры подпрограмм,
дающие представление о
назначении регистров
адаптера и направленные на
эффективное использование
возможностей графического
контроллера.
|
 |
Аппаратные
средства (процессоры)
Процессор
8086 [124 kb] - настоящая книга
содержит подробное
описание принципов работы
16-разрядных
микропроцессоров 8086 и 8088
фирмы Intel и их советских
аналогов К1810ВМ86 и К1810ВМ88.
Микропроцессоры
описываются с точки зрения
программиста, но не
электронщика, т. е.
приводится описание
регистров, системы команд
и т. п., но отсутст-вуют
сведения об организации
обмена по внешним шинам, о
количестве и расположе-нии
выводов микросхем и др.
|
 |
Введение
в 32-х разрядный
микропроцессор INTEL 80386 [214 kb]
- возможно,что Intel 80386 более
многосторонний
существующий мик
ропроцессор (МП), который
уже разработан. Конечно,
пользователи компьютеров
подобно разработчикам
давно желали его
исполнения.Привлекательностью
МП 80386 является не только
длинное машинное слово, но
особая производительность
важна не для всех
пользователей. В некоторой
степени, многосторонность
МП 80386 является
"ключем", позволяющим
любому компьютеру 80386
работать как с новым 32-х
разрядным процессором, так
и с совместимым 16-ти
разрядным. С другой
стороны, скорость
вычислений МП 80386 очень
важна, т.к. она дает
возможность применять
компьютер почти везде
|
 |
Введение
в микропроцессор 80386 [251 kb]
- данный документ является
введением в
микропроцессор 80386 и
предназначен для
программистов,
разработчиков аппаратуры
и системного программного
обеспечения.
|
 |
Введение
в микропроцессор 80386 [45 kb] -
микропроцессор 80386
является
высокопроизводительным
32-битным процессором,
предназначенным для
построения наиболее
совершенных
вычислительных систем
сегодняшнего и
завтрашнего дня. Станции
САПР, графические системы
с высокой разрешающей
способностью,
издательское дело,
автоматизация контроля
производства - вот те
области, где сегодня может
быть применен 80386.
|
 |
Команды
процессора Intel 486 [475 kb]
|
 |
Pentium
[14 kb] - история появления
Pentium процессора.
|
 |
Микропроцессор
Z80 [111 kb] - микропроцессор
Z80 был разработан фирмой
Zilog в 1976 году и стал,
вероятно, наиболее мощным
из 8-разрядных
микропроцессоров. Его
популярности
способствовало сохранение
полной совместимости
"снизу вверх" на
уровне системы команд с
микропроцессором 8080 фирмы
Intel (советский аналог -
КР580ВМ80А), к тому времени
ставшим де-факто мировым
стандартом на 8-разрядный
микропроцессор.
|
 |
Аппаратные
средства (ide устройства)
"Bинчестеры"
IDE AT, их диагностика и
ремонт [34 kb] - цель книги -
дать практические знания
по диагностике и ремонту
НЖМД IDE AT. Опираясь на
теоретические сведения
приведенные в книге
"Диагностика и ремонт
накопителей типа
"Винчестер", она
содержит подробное
описание схемотехники и
принципов
функционирования этих
накопителей. Предлагаемые
в книге методы поиска и
устранения неисправностей
разработаны в Лаборатории
"АСЕ" и успешно
используются
специалистами ряда
крупных сервисных центров
страны.
|
 |
Технология
жёсткого диска изнутри [49
kb] - мало кому доводилось
видеть жесткий диск как
таковой. В отличие от
гибких дисков легко
ранимые жесткие диски
должны быть постоянно
заключены в защитную
алюминиевую
оболочку.Все,что мы
видим-это дисковод
жесткого
диска-металлический ящик с
кое-какой электроникой на
нем. Нет простого способа
проникнуть внутрь ящика и
посмотреть на вращающийся
диск. Дисководы можно
открывать только в
гермозонах,где рабочие
носят хирургическую
одежду и из воздуха
отфильтрована вся пыль.
Некоторые типы дисков
заключены в съемные пакеты
и вставляются в
дисковод,но большинство
дисков-несъемные.Небольшие
дисководы с несъемными
дисками изобретены фирмой
IBM и прозваны
винчестерскими
дисками(из-за совпадения
кодового номера дисковода
с номером модели
знаменитого
винчестерского ружья).
|
 |
Ide
для БК [15 kb] - несколько
советов по подключению
жёстких дисков к
компьютеру БК.
|
 |
Atapi
cd [18 kb] - данный документ
никоим образом не является
полным описанием
стандартного ATAPI-CD. Здесь
были собраны только
основные данные,
необходимые для общего
понимания принципов
функционирования.
Предполагается знание
(хотя бы в общих чертах)
IDE-интерфейса (стандарт
ходил под именем ATA-R4C.*).
|
 |
Аппаратные
средства (компьютеры)
| Mk
88. [38 kb] - газета МК_NEWS
(вышла первый и последний
раз) рассчитана на
пользователей всех
категорий : от новичков до
профессионалов ,поэтому в
ней будет присутствовать
информация и для тех и для
других. Основными
направлениями,
освещаемыми в газете
будут: описание программ,
которые могут работать на
МК ( клуб может оказать
помощь в их приобретении ),
популярно о языках
программирования, навыки
работы в операционной
системе MS-DOS, Norton Commander, PC TOOLS
и других популярных
программных продуктах,
расширение возможностей
МК,, новинки в мире ПК,
обзор публикаций в
прессе,задачи_конкурсы_анкеты_анекдоты,
объявления и реклама от
частных лиц и организаций. |
 |
| Принципы
работы Ibm 370 [410 kb] - это
почти точная копия книги
"Принципы работы
системы IBM/370" (пер. с
англ. Под ред. Райкова Л. Д.,
М., Мир, 1975). Английский
оригинал "IBM System/370 principles
of operation (Fourth Edition)" был
выпущен фирмой IBM в 1973 г.
под названием "Принципы
работы ЕС ЭВМ". Без
ссылок на американский
источник эта книга входила
в комплект технической
документации,
поставляемой вместе с
вычислительными машинами
Единой Системы. В
настоящем варианте
исправлены опечатки и
неточности, имевшие место
в вышеуказанном печатном
издании, а также изменены
некоторые предложения в
целях повышения
удобочитае-мости, однако
объем внесенных изменений
был минимальным. Опущено
также приложение 5
"Шестнадцатеричные
таблицы", помогающее
вручную быстро переводить
шестнадцатеричные числа в
десятичные и обратно и
выполнять арифметические
операции над
шестнадцатеричными
числами. Приложение 6
"Код EBCDIC" стало
приложением 5 "Коды EBCDIC и
ДКОИ". |
 |
| П.
Нортон Программно -
аппаратная реализация
компьютера ibm pc 1983 год [210 kb]
- книга, предлагаемая
читателю, рассказывает о
чудесах - о тех чудесах,
которые позволяет творить
Персональный Компьютер
фирмы "IBM" (IBM/PC).
Появление персонального
компьютера фирмы "IBM"
знаменовало собой
фактическое введение
нового и очень высокого
стандарта качества и
производительности
персональных компьютеров.
Те, кто уже знал и понимал
возможности персональных
компьютеров, увидели в IBM/PC
новое средство,
превосходящее все то что
существовало до сих пор. Те
же, кто считал
персональные компьютеры
не более чем игрушками,
начали осозновать
действительную ценность
этих компьютеров в
качестве полезнейшего
рабочего инструмента
инженера или ученого. |
 |
Программисту
Справочник
программиста на
персональном компьютере
фирмы IBM [360 kb] -
программисты на
ассемблере не найдут
ничего необычного в спо
собе представления чисел и
адресов, используемом в
этой книге. Hо многие
программисты на языках
высокого уровня мало
знакомы с системой
адресации и недесятичными
числами и они могут быть
слегка сконфужены на
первых порах. Если Вы
относитесь к этой
категории - не
отчаивайтесь! Данная книга
может служить
сравнительно
безболезненным способом
знакомства с этой
кабаллистикой, а Ваше
образование как
программиста будет
существенно ограничено
без знакомства с этими
вещами.
|
 |
Программные
средства базовой системы
ввода-вывода [65 kb] -
базовая система
ввода-вывода (БСВВ)
содержит минимальный
набор программных модулей,
необходимый для запуска и
функционирования ПП ЭВМ и,
прежде всего, для
обслуживания основных
периферийных устройств. С
системной точки зрения,
средства БСВВ
располагаются между
аппаратурой и средствами
АДОС. Применение их в
прикладных программах
позволяет в некоторых
случаях добиться
значительной
эффективности, по
сравнению с применением
средств АДОС, и в то же
время несравненно
безопаснее, чем прямое
управление периферийными
устройствами
|
 |
Документация
по языку REXX. [154 kb] -
добрый день, дорогой
читатель. Некоторое время
мне было совершенно нечего
делать, и я решил соорудить
в некотором роде сводный
справочник по rexx - для тех
интерпретаторов, с
которыми мне приходилось
иметь дело.
|
 |
Турбо
паскаль 5.0, руководство
пользователя [507 kb] - вы
начинаете знакомство с
версией 5.0 Турбо-Паскаля.
Первая книга по
Турбо-Паскалю была
посвящена основам
программирования и
использования
интегрированной среды.
Теперь вы подготовлены к
тому, чтобы усвоить более
глубокие особенности
языка Турбо-Паскаль.
|
 |
Turbo
vision - turbo pascal 6.0 [246 kb] -
это руководство содержит
полное описание Turbo Vision -
новому подходу к
разработке прикладных
систем. Мы опишем не только
что и как может делать Turbo
Vision, но и для чего. Если Вы
потратите время на то,
чтобы понять основные
принципы Turbo Vision, Вы
обнаружите, что это
удобный, сохраняющий время
и продуктивный инструмент:
Вы сможете создавать
разумные интерактивные
программы, затрачивая на
это меньше времени, чем Вы
думаете.
|
 |
Использование
памяти MS-DOS [9 kb] - MS-DOS
имеет 640 Кбайт памяти для
использования ею самой и
прикладными программами
пользователя.
|
 |
Передача
данных в операционной
системе MS-DOS [8 kb] - dо
время работы с системами
реального времени
компьютеру с операционной
системой MS-DOS приходится
обмениваться данными
внешней средой. Данные,
подлежащие передаче,
делятся на три категории:
-
данные, состоящие из
одного бита, указывающего
текущее состояние
устройств, которые могут
находиться в одном из
двухсостояний, - данные,
представляющие собой
цифровое выражение
аналоговых сигналов,
выдаваемых
аналогово-цифровыми
преобразователями, -
цифровая информация,
поступающая от
оборудования другого вида
(которое в свою очередь
принимало данные одним из
трех указанных способов).
|
 |
DMA
[24 kb] - программируемые
системные устройства.
|
 |
Сетевому
администратору (довнгрейдеру)
Windows
NT 4.0 [663 kb] - справочник
пользователя и
администратора NT в формате
html.
|
 |
NT
5.0 или WINDOWS 2000 (Справочное
руководство) [2239 kb] - выпуск
каждой новой операционной
системы с нетерпением
ожидают тысячи
пользователей. Задолго до
появления общедоступных
бета-версий в
телеконференциях в
Интернете, в ФИДО и везде,
где только возможно,
начинается обсуждение
новых свойств ожидаемой
системы, разгораются
жаркие споры о ее
достоинствах и
недостатках, с
негодованием обсуждаются
ошибки, замеченные в том
нечто, что было переписано
с узла Интернета или
куплено на «Горбушке». Не
избежала этой участи и
операционная система Windows
NT 5.0. Более года назад на
черном рынке появились
компакт-диски с гордой
надписью «Cairo». Самые
отчаянные покупали их,
пытались ставить на свои
компьютеры, но на этом все
заканчивалось. Войти в
систему не удавалось, что
порождало массу слухов, в
том числе и в компьютерной
прессе.
|
 |
Коммутаторы
Ethernet. Начальные сведения [98
kb] - разработанный в 1973
стандарт Ethernet сегодня
является наиболее
популярным среди
стандартов ЛВС. Как
технология с разделяемой
средой Ethernet обеспечивает
скорость передачи 10
мегабит в секунду (Mbps) для
всех пользователей,
имеющих доступ к среде
передачи и протокол
разрешения доступа.
|
 |
Локальная
сеть из двух компьютеров
[127 kb] - многие
пользователи Windows 95/98
считают проведение
локальной сети
мероприятием
дорогостоящим и крайне
сложным, и при этом
обеспечивающим не такие уж
большие преимущества
перед традиционной
трехдюймовой дискетой.
Однако даже дома все чаще
поселяется второй
компьютер (скажем, ноутбук
или игровой), и возникает
необходимость
использовать общие
ресурсы в двух системах
(например, привод CD-ROM,
принтер, жесткий диск или
внешние носители
информации). Неужели вы
предпочтете дублировать
дорогостоящие внешние
устройства или мучиться с
крайне ненадежными и
“тощими” дискетами?
Кстати, флоппи-дисковод
тоже можно оставить только
один, если, конечно, вы не
боитесь частых “падений”
системы.
|
 |
Локальные
сети на основе
коммутаторов [404 kb] -
большущий справочник по
возможностям сетей и
принципам их работы в HTML.
|
 |
Протоколы
TCP/IP [139 kb] - эта книга
является одним из
классических
академических куpсов по
техническим пpинципам
pаботы Интеpнета. В
доступной фоpме здесь
описываются основы всех
пpотоколов, фоpматы их
сообщений и логика их
pаботы. Понимание pяда
пpоблем сетевой
безопасности невозможно
без знания изложенных в
ней сведений.
|
 |
Cемейство
протоколов TCP/IP [62 kb] - в
книге приводятся примеры,
основанные на реализации
TCP/IP в ОС UNIX. Однако
основные положения
применимы ко всем
реализациям TCP/IP. Надеюсь,
что эта книга будет
полезна тем, кто
профессионально работает
или собирается начать
работать в среде TCP/IP:
системным
администраторам,
системным программистам и
менеджерам сети.
|
 |
CISCO
Internetworking Technology Overview [562 kb]
- подробнейший справочник
по технологии сетей на
базе CISCO. Формат HTML.
|
 |
Вирусы
[1006 kb] - отличный
справочник по истории и
развитию компьютерных
вирусов с древнейших
времен и до середины 90-х
годов. Сабж представлен в
формате HTML. Очень
рекомендую все
неравнодушным, очень много
конкретного материла.
|
 |
Истории
о вирусах [1187 kb] - еще один
толковый справочник по
вирусам периода 90х годов в
формате html. В этом сабже в
отличии от вышеописанного
ставка делается так же на
принципы заражения в FTN, BBS,
локальных сетях. Много
конкретной информации.
Автор неизвестен.
|
 |
Пользователю
Полезные
советы пользователям dos [40
kb] - PC, XT, AT, PCjr, PC Convertible
и PS/2 - это имена
компьютеров семейства IBM PC.
Все они более или менее
совместимы между собой на
уровне прикладных пакетов,
но имеют определенные
аппаратные различия: PC:
центральный процессор 8088,
тактовая частота 4.77 МГц,5
позиций для адаптерных
плат. PCjr: ЦП
8088, нет места для плат.
Выпущена мизерным тиражом
и не совместима с
остальными IBM PC. В нашей
серии не описывается. XT:
ЦП 8088, жесткий диск, 8
позиций для адаптерных
плат. Востальном
аналогична PC. Turbo PC:
ПЭВМ других фирм (не IBM),
совместимые с PC и XT,но
имеюший ЦП 8086 или V30 фирмы
NEC, тактовая частота
которых 6 или 8 МГц. Обычно
имеет 8 позиций для плат.
XT-286: ЦП
80286, 8 позиций для плат,
частота 6 Мгц без холостых
циклов (скорость как у AT с 8
МГц). Платы от AT к ней не
подходят, от PC подходят, но
не позволяют использовать
преимущества 16-разрядной
системной шины. AT:
ЦП 80286, 8 позиций для плат,
тактовая частота 6 или 8МГц.
|
 |
Документация
по ОС2 1991 год (РОБЕРТ ЛАФО
& ПИТЕР НОРТОН OS/2
изнутри) [369 kb] - Глава 1.
Общий обзор ОS/2,Глава 2.
Быстрое начало, Глава 3.
Управление клавиатурой и
экраном, Глава 4.
Процессы,Глава 5. Цепи,
Глава 6. Семафоры, Глава 7.
Директории, Глава 8.
Файловая система,Глава 9.
Файловая система и
мультизадачность, Глава 10.
Управление памятью, Глава
11. Связь между процессами,
Глава 12. Мониторы
устройств и сигналы, Глава
13. Маус и сигналы, Глава 14.
Динамическое
hедактирование связей.
|
 |
"РУКОВОДСТВО
ПОЛЬЗОВАТЕЛЯ ПРОГРАММНОГО
ОБЕСПЕЧЕНИЯ "ОКНА"
ФИРМЫ "MICROSOFT, Москва
1990" [123 kb] - подробный
мануал об использовании,
настройке, работе Windows 2.0 на
русском языке, наверное,
самая редкая книга про
софт на русском языке.
|
 |
"Работа
пользователя с IBM PC" (C)
В.Э.Фигурнов, 1990. [261 kb]
|
 |
Работаем
с реестром Windows NT [453 kb] -
небольшой справочный
материал по работе с
реестром 4-й NT.
|
 |
Windows
98 [3296 kb] - книга
посвященная 98-м окошкам.
Хорошее, качественное
издание, которое поможет
чайникам с "нуля"
освоить компьютер с
вышеупомянутым сабжем на
борту.
|
 |
Каталог
принтеров [2791 kb] -
полноценный каталог
принтеров выпускавшихся в
1999 году с фотографиями и их
описаниями. Есть всё от
лазерных до матричных
печатных устройств.
|
 |
Разное
(программы, описания, советы)
Документация
по созданию самопального
COVOX. [7 kb] - все началось
с того, что ко мне дошло
описание COVOXа,
составленное на RED RATS BBS. Я
не мог удержаться и
моментально начал
собирать описанный device. Я
действительно не пожалел,
и самплы к небезызвестному
пакету Scream Tracker через
описанный СOVOX звучат
просто замечательно.
|
 |
Документация
по программе TELIX. [34 kb] -
тelix является полностью
оснащенной
коммуникационной
программой для
операционных систем PC/MS-DOS,
что позволяет
удовлетворить потребности
любого пользователя.
|
 |
Arj
1990-91 Robert K Jung [3 kb]
|
 |
Отладчик
DEBUG Краткое руководство [1
kb]
|
 |
Flop
pro [13 kb] - в настоящее
время практически
единственным способом
коммерческого
распространения
программных продуктов
является тиражирование
гибких магнитных дисков
(дискет) с записанными на
них программами
(дистрибутивных дискет).
При этом имеет место
опасность
несанкционированного
копирования
дистрибутивных дискет,
из-за чего фирмы -
производители программных
средств будут терпеть
убытки, иногда весьма
значительные. В Росии и
республиках бывшего СССР,
в силу несовершенства
действующего
законодательства о
правовой охране
программных средств, а
также его фактической
неработоспособности,
проблема предотвращения
несанкционированного
копирования
дистрибутивных дискет
особенно актуальна. Суть
данной проблемы
заключается в том, чтобы
записать информацию на
стандартную дискету таким
образом, чтобы ее можно
было считать с дискеты,
используя только средства
операционной системы (DOS),
но нельзя было скопировать
никакими стандартными
средствами. Для этой цели
дистрибутивные дискеты
снабжают особым признаком,
называемым ключевой
меткой, которая при
стандартном копировании
не переносится на дискету -
копию.
|
 |
BUYER'S
GUIDE - расширенный список 1989
год [80 kb] - краткие
сведения о выпускаемых
основных системах
управления базами данных
реляционного типа. Всего 10
баз данных.
|
 |
Документация
по (Hacker's view) [7 kb] - это
'гляделка' для тех, кому
требуется иногда в чужой
программе изменить
один-два байта (как правило
7xh на 0EBh). Hiew позволяет
просматривать файлы
неограниченной длины в
текстовом и
шестнадцатеричном
форматах, а также в режиме
дизассемблера
80386-гопроцессора.
|
 |
Программа
Quaid Analyzer (Ю.Рычков - перевод
Пермь апр.1992) [35 kb] - эта
программа позволяет
диагностировать программы
для IBM PC, в т.ч. программы
без исходных текстов или
содержащие средства
предотвращения
трассировки их функций. Вы
можете по шагам
'толкать'программу и
отслеживать команды
процессора и регистры.
Фактически все области
памяти доступны для вашей
проверки.
|
 |
Сетевая
базовая система
ввода-вывода NetBios [77 kb]
|
 |
|